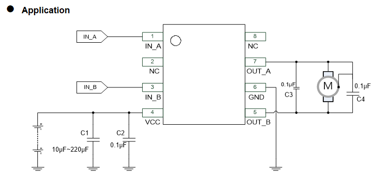
pin assignment
AM1058A AM1058A
Features
Wide supply voltage range up to 11V
Maximum continuous current output up to 1.1A
Low standby mode current (<1μA)
Low quiescent operation current
Low MOSFETs On-resistance 0.55Ω@Io=0.6A
SOP-8 package for small size PCB layout
Provide four operation modes: forward/reverse/stop/brake
Over current protection
Over temperature protection
Maximum continuous current output up to 1.1A
Low standby mode current (<1μA)
Low quiescent operation current
Low MOSFETs On-resistance 0.55Ω@Io=0.6A
SOP-8 package for small size PCB layout
Provide four operation modes: forward/reverse/stop/brake
Over current protection
Over temperature protection
Description
The AM1058A is one channel H-Bridge driver. It provides integrated motor-driver solution for toys, robotics, consumer products and other low voltage or battery-powered motion control applications. The output driver block consists of N-channel and P-channel power MOSFETs configured as an H-bridge to driver DC motor.
The AM1058A maximum operational voltage is 11V. It can supply up to 1.1 A of output continuous current and 2.5A of output peak current. There are internal shutdown function for over-temperature protection and over-current protection (IOCP = 2.5 A).
Package material is Pb-Free for the purpose of environmental protection and for sustainable development of the Earth.



