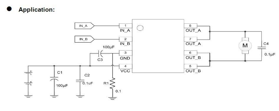
pin assignment
AM2861 AM2861
Features
1) Lowest RDS (ON) 115mΩ for high efficient H-Bridge output
2) SOP-8 package for small size PCB layout
3) Maximum continuous current output 3A
4) Operation voltage range 4V to 33V
5) Absolute maximum voltage 42V
6) Over temperature protection
7) Over current protection
8) Low standby current
9) Low quiescent current
2) SOP-8 package for small size PCB layout
3) Maximum continuous current output 3A
4) Operation voltage range 4V to 33V
5) Absolute maximum voltage 42V
6) Over temperature protection
7) Over current protection
8) Low standby current
9) Low quiescent current
Description
The AM2861 output driver block consists of N-channel and P-channel power MOSFETs configured as an H-Bridge to drive DC motor.
AM2861 maximum operational voltage is 33V. It can supply up to 3A of continuous current and 5A of peak current. There are internal shutdown functions, thermal shutdown protection and overcurrent protection (IOCP = 5 A).
Package material is Pb-Free Product & RoHS compliant for the purpose of environmental protection and for sustainable development of the Earth.
AM2861 maximum operational voltage is 33V. It can supply up to 3A of continuous current and 5A of peak current. There are internal shutdown functions, thermal shutdown protection and overcurrent protection (IOCP = 5 A).
Package material is Pb-Free Product & RoHS compliant for the purpose of environmental protection and for sustainable development of the Earth.



