pin assignment
AM2837 AM2837
Features
Wide supply voltage range up to 13.5V
Maximum continuous current output up to 3.5A
Low RDS(ON) for high efficient H-bridge output.
SOP-8 package for small size PCB layout
Over current protection
Over temperature protection
Low standby current
Low quiescent current
Maximum continuous current output up to 3.5A
Low RDS(ON) for high efficient H-bridge output.
SOP-8 package for small size PCB layout
Over current protection
Over temperature protection
Low standby current
Low quiescent current
Description
The AM2837 is one channel H-Bridge driver IC, It provides integrated motor-driver solution for toys, robotics, consumer products and other low voltage or battery-powered motion control applications. The output driver block consists of N-channel and P-channel power MOSFETs configured as an H-bridge to drive DC motor.
The AM2837 maximum operational voltage is 13.5V. It can supply up to 3.5A of output continuous current and 6A of output peak current. There are internal shutdown function for over-temperature protection and over-current protection (IOCP = 6.0 A).
Package material is Pb-Free Product & RoHS compliant for the purpose of environmental protection and for sustainable development of the Earth.
The AM2837 maximum operational voltage is 13.5V. It can supply up to 3.5A of output continuous current and 6A of output peak current. There are internal shutdown function for over-temperature protection and over-current protection (IOCP = 6.0 A).
Package material is Pb-Free Product & RoHS compliant for the purpose of environmental protection and for sustainable development of the Earth.
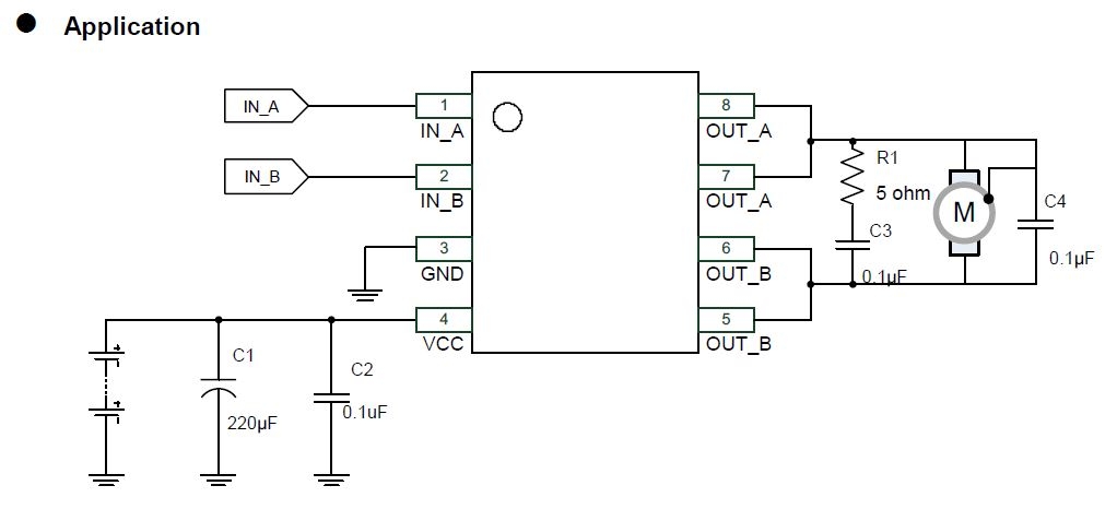
●Application
- Toys (R/C car)
- Small Appliances (Reduce PCB surface area and perimeter)
- Any relevant DC motor applications.



