pin assignment
AM1127S AM1127S
Features
Wide supply voltage range up to 6.8V
Output_F/B maximum continuous current output up to 1.6A
Output_R/L maximum continuous current output up to 0.8A
Low RDS(ON) for high efficient H-bridge output.
Built-in LDO Regulator (3.3V/2.75V)
LDO output driver current 60mA
Over current protection
Over temperature protection
Low standby current
Low quiescent current
Output_F/B maximum continuous current output up to 1.6A
Output_R/L maximum continuous current output up to 0.8A
Low RDS(ON) for high efficient H-bridge output.
Built-in LDO Regulator (3.3V/2.75V)
LDO output driver current 60mA
Over current protection
Over temperature protection
Low standby current
Low quiescent current
Description
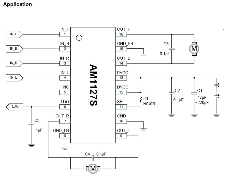
The AM1127S is two channel H-Bridge driver with a build in Low Dropout Regulator (LDO). It provides integrated motor-driver solution for high current power motion control applications. The output driver block consists of N-channel and P-channel power MOSFETs configured as H-Bridge to driver DC motor.
The AM1127S maximum operational voltage is 6.8V. Output_F/B can supply up to 1.6A of output continuous current and 3 A of output peak current. There are internal shutdown function for over-temperature protection and over-current protection (IOCP = 3 A).
Package material is Pb-Free Product & RoHS compliant for the purpose of environmental protection and for sustainable development of the Earth.
● Application
Toys (R/C car)
Robotics (Sweeping robot)
Small Appliances (Reduce PCB surface area and perimeter)
Any relevant DC motor applications.



