pin assignment

AM1105 AM1105

Features

Wide supply voltage range up to 11V
Maximum continuous current output up to 1.3A
Low RDS(ON) for high efficient H-bridge output.
Built-in LDO Regulator 2.5V
LDO output driver current 100mA
SOP-8 package for small size PCB layout
Over current protection
Over temperature protection
Low standby current
Low quiescent current

Description

The AM1105 is a channel H-Bridge driver with a build in Low Dropout Regulator (LDO). It provides integrated motor-driver solution for high current power motion control applications. The output driver block consists of N-channel and P-channel power MOSFETs configured as H-Bridge to driver DC motor.
 
The AM1105 maximum operational voltage is 11V. It can supply up to 1.3A of output continuous current and 2.5A of output peak current. There are internal shutdown function for over-temperature protection and over-current protection (IOCP = 2.5 A).
 
Package material is Pb-Free Product & RoHS compliant for the purpose of environmental protection and for sustainable development of the Earth.
 
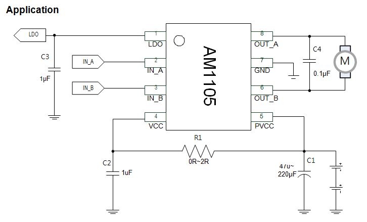
Application
   Robotics (R/C servo, Sweeping robot)
   Small Appliances (Reduce PCB surface area and perimeter)
   Any relevant DC motor applications.

Data Sheet

AM1105_V0.1_Eng.pdf
TEL:+886-2-2999 8989
FAX:+886-2-2999 9966
E-Mail:npd@amtek-semi.com