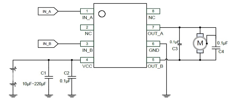
pin assignment
AM1037A AM1037A
Features
1) 低導通內阻,可操作更高工作電流
2) 輸出短路保護電路(OCP)
3) 低靜態工作電流
4) 低待機工作電流
5) 表面貼裝型封裝 (SOP-8)
6) 過熱保護電路
7) 過熱保護自動回復
2) 輸出短路保護電路(OCP)
3) 低靜態工作電流
4) 低待機工作電流
5) 表面貼裝型封裝 (SOP-8)
6) 過熱保護電路
7) 過熱保護自動回復
Description
AM1037A 為高性價比的馬達驅動 IC,應用在智能玩具、機器人等消費性玩具產品,提供單通道 H 橋接式 可控制之 DC 馬達驅動。
AM1037A 的低馬達驅動內阻特性,可以應用在需要更大電流的馬達電機上。
AM1037A 具有過電流保護電路(典型值 IOCP = 2.5 A),讓客戶減少焊接短路 IC 燒毀的浪費及節省重工費用,且具有過熱保護電路(典型值 TSDP = 150℃ )、過熱保護自動回復溫度(典型值 TSDr = 100℃)。
AM1037A 為高耐壓技術設計,具有比傳統馬達驅動 IC 更寬的工作電壓範圍(2.0V~11V)。 為了地球之永續發展,AM1037A 絕不含任何鉛化物(Pb-Free),並符合 RoHS 標準。
AM1037A 的低馬達驅動內阻特性,可以應用在需要更大電流的馬達電機上。
AM1037A 具有過電流保護電路(典型值 IOCP = 2.5 A),讓客戶減少焊接短路 IC 燒毀的浪費及節省重工費用,且具有過熱保護電路(典型值 TSDP = 150℃ )、過熱保護自動回復溫度(典型值 TSDr = 100℃)。
AM1037A 為高耐壓技術設計,具有比傳統馬達驅動 IC 更寬的工作電壓範圍(2.0V~11V)。 為了地球之永續發展,AM1037A 絕不含任何鉛化物(Pb-Free),並符合 RoHS 標準。



