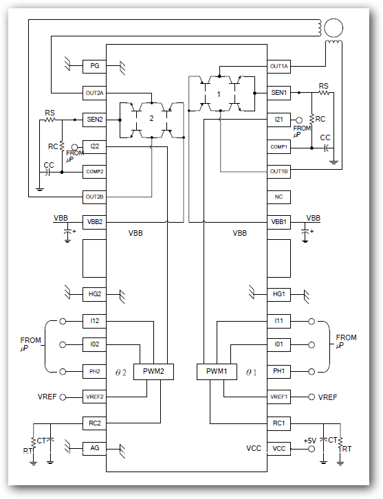
pin assignment
AM6289 AM6289
Features
1) 1.5A continuous output current
2) 28V output sustaining voltage
3) Internal clamp diodes
4) Internal PWM current control
5) Low output saturation voltage
6) Internal thermal shutdown circuitry
7) 3-bit nonlinear DAC
2) 28V output sustaining voltage
3) Internal clamp diodes
4) Internal PWM current control
5) Low output saturation voltage
6) Internal thermal shutdown circuitry
7) 3-bit nonlinear DAC
Description
The AM6289 motor driver is designed to drive both windings of a bipolar stepper motor or to control bidirectionally
two DC motors. Both bridges are capable of sustaining 28V and include internal pulse-width modulation (PWM)
control of the output current to 1.5A. The outputs have been optimized for a low output saturation voltage drop (less
than 1.8V total source plus sink at 850mA).
For PWM current control, the maximum output current is determined by the user’s selection of a reference voltage
and sensing resistor. Three-bit nonlinear digital to analog converter allows the motor current to be controlled in full-,
half-, quarter-, 1/8th-step (micro stepping mode, see table2). A PHASE input to each bridge determines load current
direction.
The bridges include both ground clamp and fly-back diodes for protection against inductive transients. Internally
generated delays prevent cross-over currents when switching current direction. Special power-up sequencing is not
required. A thermal protection circuitry disables the outputs if the chip temperature exceeds safe operating limits.
The AM6289 is supplied in a 28-lead surface-mountable HSOP. Its batwing construction provides for maximum
package power dissipation in the smallest possible construction.
Applications
Scanner, Printer
two DC motors. Both bridges are capable of sustaining 28V and include internal pulse-width modulation (PWM)
control of the output current to 1.5A. The outputs have been optimized for a low output saturation voltage drop (less
than 1.8V total source plus sink at 850mA).
For PWM current control, the maximum output current is determined by the user’s selection of a reference voltage
and sensing resistor. Three-bit nonlinear digital to analog converter allows the motor current to be controlled in full-,
half-, quarter-, 1/8th-step (micro stepping mode, see table2). A PHASE input to each bridge determines load current
direction.
The bridges include both ground clamp and fly-back diodes for protection against inductive transients. Internally
generated delays prevent cross-over currents when switching current direction. Special power-up sequencing is not
required. A thermal protection circuitry disables the outputs if the chip temperature exceeds safe operating limits.
The AM6289 is supplied in a 28-lead surface-mountable HSOP. Its batwing construction provides for maximum
package power dissipation in the smallest possible construction.
Applications
Scanner, Printer



