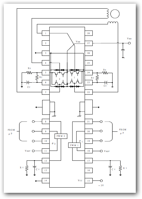
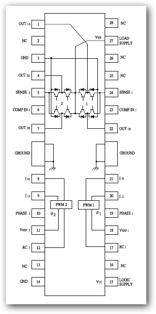
pin assignment

AM2170 AM2170

Features

1) 750mA continuous output current
2) 45V output sustaining voltage
3) Internal clamp diodes
4) Internal PWM current control
5) Low output saturation voltage
6) Internal thermal shutdown circuitry

Description

The AM2170 motor driver is designed to drive both windings of a bipolar stepper motor or to control
bi-directionally two DC motors. Both bridges are capable of sustaining 45V and include internal pulse-width
modulation (PWM) control of the output current to 750mA. The outputs have been optimized for a low output
saturation voltage drop (less than 1.8V total source plus sink at 500mA).
For PWM current control, the maximum output current is determined by the user’s selection of a reference voltage
and sensing resistor. Two logic-level inputs select output current limits of 0, 33%, 67%, or 100% of the maximum
level. A PHASE input to each bridge determines load current direction.
The bridges include both ground clamp and fly-back diodes for protection against inductive transients. Internally
generated delays prevent cross-over currents when switching current direction. Special power-up sequencing is not
required. A thermal protection circuitry disables the outputs if the chip temperature exceeds safe operating limits.
The IC is supplied in HSOP28 Package. Its thermal wing construction provides for maximum package power
dissipation in the smallest possible construction. Package material is Pb-Free for purpose of environmental
protection.

Applications
Scanner, Printer, MFP

Data Sheet

AM2170 V1.2.pdf
TEL:+886-2-2999 8989
FAX:+886-2-2999 2929
E-Mail:pd1@amtek-semi.com