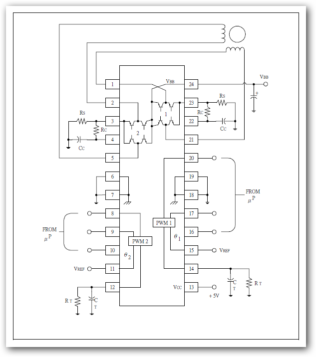
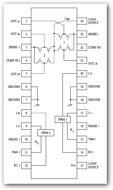
pin assignment

AM2168 AM2168

Features

1) 550mA continuous output current
2) 36V output sustaining voltage
3) Internal clamp diodes
4) Internal PWM current control
5) Low output saturation voltage
6) Internal thermal shutdown circuitry

Description

To drive both windings of a bipolar stepper motor or to bi-directionally control two DC motors, AM2168 motor
driver is designed for. Both bridges are capable of sustaining 36V and include internal pulse-width modulation
(PWM) control of the output current to 550mA. Optimization is done at the outputs for low output saturation
voltage drop (less than 1.8V total source plus sink at 500mA).
For PWM current control, the maximum output current is determined by the user’s selection of a reference voltage
and sensing resistor. Two logic-level inputs select output current limits of 0, 33%, 67%, or 100% of the maximum
level. A PHASE input to each bridge determines load current direction.
The bridges include both ground clamp and fly-back diodes for protection against inductive transients. Internally
generated delays prevent cross-over currents when switching current direction. Special power-up sequencing is not
required. A thermal protection circuitry disables the outputs if the chip temperature exceeds safe operating limits.
The AM2168 is supplied in a 24-lead surface-mountable SOIC. Its batwing construction provides for maximum
package power dissipation in the smallest possible construction. Also, Pb free product is available ( Please refer to
Marking Identification ).

Applications
Scanner, MFP, Printer

Data Sheet

AM2168 V1.2.pdf
TEL:+886-2-2999 8989
FAX:+886-2-2999 2929
E-Mail:pd1@amtek-semi.com