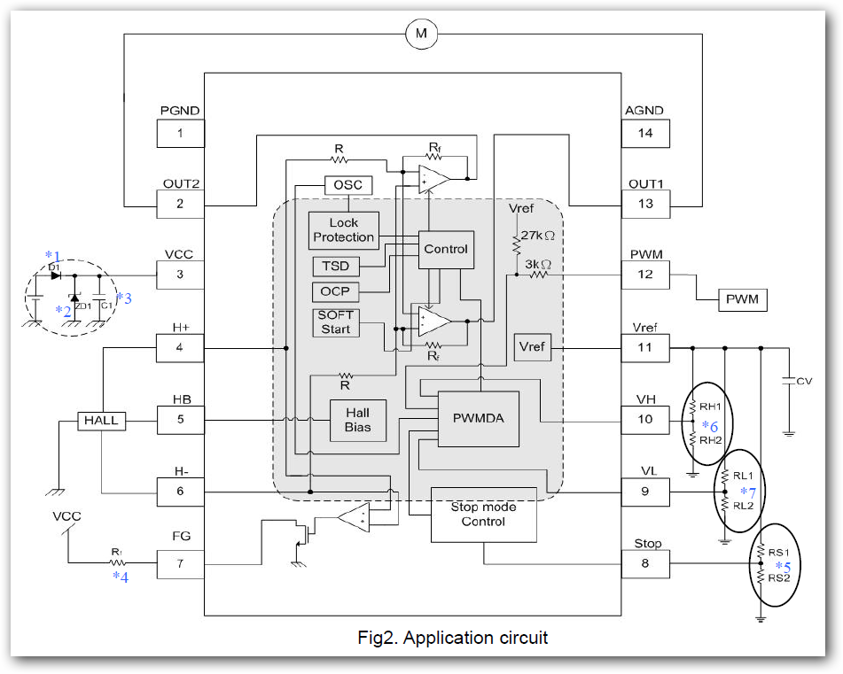
pin assignment
AM7228S AM7228S
Features
1) Slope adjust mode for VH and VL pin control.
2) Soft switched drive.
3) PWM speed control.
4) Rotating speed pulse signal (FG) output.
5) Incorporating lock protection and automatic restart circuit.
6) Power Tr incorporated.
7) Hall Bias voltage built-in.
8) Soft start function built-in for reducing power up acoustic noise.
9) Stop mode duty adjustable.
2) Soft switched drive.
3) PWM speed control.
4) Rotating speed pulse signal (FG) output.
5) Incorporating lock protection and automatic restart circuit.
6) Power Tr incorporated.
7) Hall Bias voltage built-in.
8) Soft start function built-in for reducing power up acoustic noise.
9) Stop mode duty adjustable.
Description
This is the summary of application for AM7228S optimum for driving 12V fan for general
consumer equipment. The most attractive function of AM7228S is slope adjust by external
resistor, that can meet most of fan request. This IC employs soft switching drive, Bi-CMOS
process, and realizes silent drive, low ON resistor, and low power consumption. This also
incorporate lock protection and auto restart circuit which does not require external capacitor.
Applications
Optimum for driving 12V fan for general consumer equipment
CPU FAN
VGA FAN
Power FAN
AIO PC FAN
consumer equipment. The most attractive function of AM7228S is slope adjust by external
resistor, that can meet most of fan request. This IC employs soft switching drive, Bi-CMOS
process, and realizes silent drive, low ON resistor, and low power consumption. This also
incorporate lock protection and auto restart circuit which does not require external capacitor.
Applications
Optimum for driving 12V fan for general consumer equipment
CPU FAN
VGA FAN
Power FAN
AIO PC FAN



