pin assignment
AM2355N AM2355N
Features
1) Operation voltage 1.8 to 6.0V
2) Lock detection/Automatic restart function
3) Built-in FG (frequency generation)
4) Thermal shutdown protection
5) Over current protection
6) PWM speed control
7) Soft switching technique to reduce acoustic noise
8) Forward and Reverse control
2) Lock detection/Automatic restart function
3) Built-in FG (frequency generation)
4) Thermal shutdown protection
5) Over current protection
6) PWM speed control
7) Soft switching technique to reduce acoustic noise
8) Forward and Reverse control
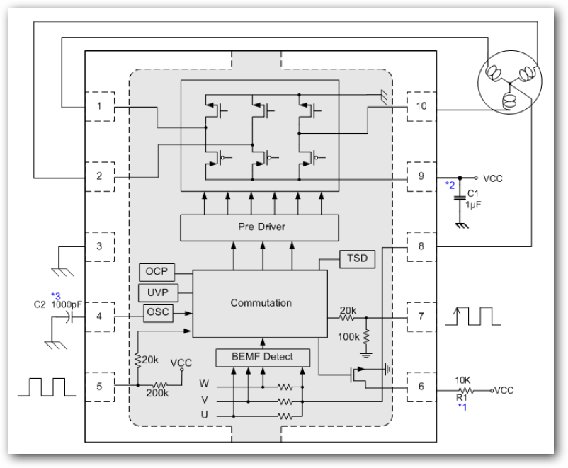
Description
The AM2355N is a 3-phase sensor-less DC fan motor driver IC. It senses the BEMF (Back
Electro-Motive Force) of the motor in rotation and provides corresponding commutation current to
the motor. Rotation speed can be controlled by PWM input signal. The drivers include Lock
Detection, Thermal Shutdown, and Over-current Protection. Forward and Reverse control.
Applications
3-phase sensor-less DC Fan Motor
Electro-Motive Force) of the motor in rotation and provides corresponding commutation current to
the motor. Rotation speed can be controlled by PWM input signal. The drivers include Lock
Detection, Thermal Shutdown, and Over-current Protection. Forward and Reverse control.
Applications
3-phase sensor-less DC Fan Motor



