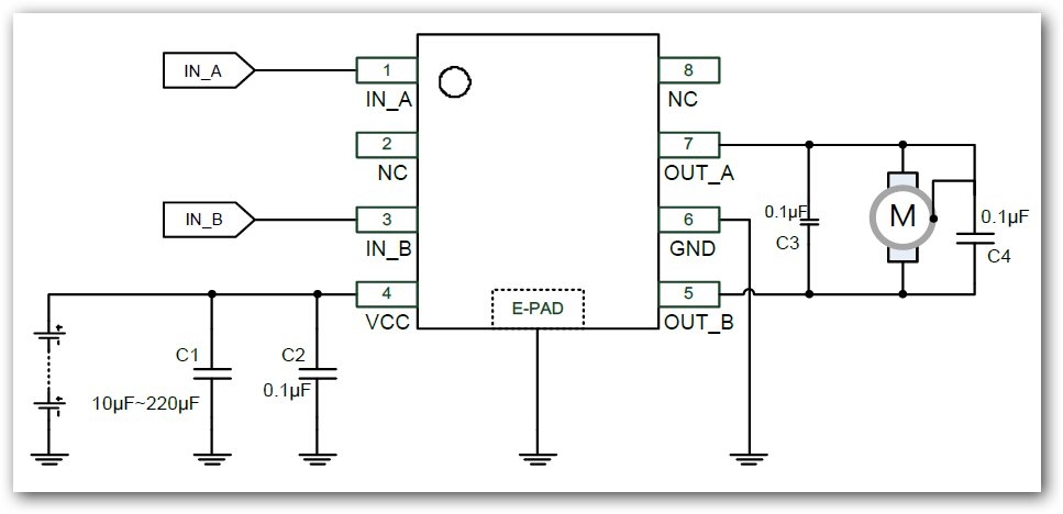
pin assignment
AM1025EA AM1025EA
Features
1) 低導通內阻
2) 低靜態工作電流
3) 低待機工作電流
4) 表面貼裝型封裝 (eSOP-8)
5) 過熱保護電路
6) 過熱保護自動回復
7) 過電流保護電路
2) 低靜態工作電流
3) 低待機工作電流
4) 表面貼裝型封裝 (eSOP-8)
5) 過熱保護電路
6) 過熱保護自動回復
7) 過電流保護電路
Description
AM1025EA 為高性價比的馬達驅動 IC,應用在智能玩具、機器人等消費性玩具產品,提供單通道 H 橋接 式可控制之 DC 馬達驅動。
AM1025EA 的低馬達驅動內阻特性,可以應用在連續 2.3A 以下電流的馬達電機上。
AM1025EA 具有獨特短路保護(典型值 IOCP = 4.5A),讓客戶減少焊接短路 IC 燒毀的浪費及節省重工費用, 且具有過熱保護電路(典型值 TSDP = 150℃ )、過熱保護自動回復溫度(典型值 TSDr = 125℃)。
為了地球之永續發展 ,AM1025EA 為綠色環保(Green) IC,絕不含 任何鉛化物(Pb-Free)與鹵素元素(Halogen-Free)。
應用:
智能玩具
機器人
消費性產品
AM1025EA 的低馬達驅動內阻特性,可以應用在連續 2.3A 以下電流的馬達電機上。
AM1025EA 具有獨特短路保護(典型值 IOCP = 4.5A),讓客戶減少焊接短路 IC 燒毀的浪費及節省重工費用, 且具有過熱保護電路(典型值 TSDP = 150℃ )、過熱保護自動回復溫度(典型值 TSDr = 125℃)。
為了地球之永續發展 ,AM1025EA 為綠色環保(Green) IC,絕不含 任何鉛化物(Pb-Free)與鹵素元素(Halogen-Free)。
應用:
智能玩具
機器人
消費性產品



