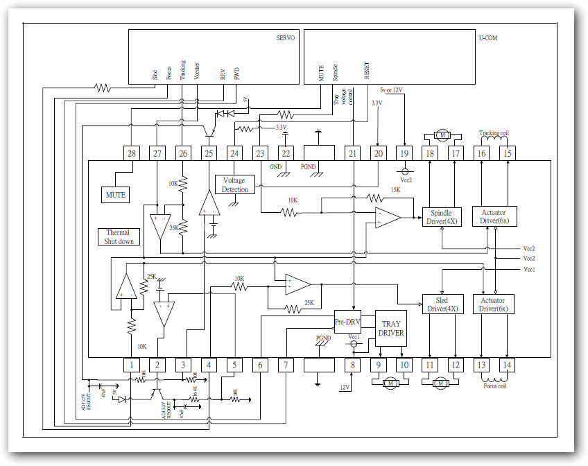
pin assignment
AM5890S AM5890S
Features
1) Two channels are voltage-type BTL drivers for actuators of tracking and focus. Two channels are voltage-type BTL driver for sled and spindle motors. It is also built-in one channel bi-direction DC motor driver for tray.
2) Wide dynamic range [9.0V (typ.) when Vcc1= Vcc2= 12V, at RL= 20Ω load].
3) Separating power of Vcc1 and Vcc2 is to improve power efficiency by a low supply voltage for tracking, focus, and spindle.
4) Level shift circuit built-in.
5) Thermal shut down circuit built-in.
6) Mute mode built-in.
7) Dual actuator drivers:
A general purpose input OP provides differential input for signal addition. The output structure is two power OPAMPS in bridge configuration.
8) Sled motor driver:
A general purpose input OP provides differential input for signal addition. The output structure is one power OPAMP in bridge configuration.
9) Spindle driver:
Single input linear BTL driver. The output structure are two power OPAMPS in bridge configuration.
10) Tray in-out driver:
The DC motor driver supports forward/reverse control for tray motor.
11) 2 Built-in regulator controllers
Adjustable range 1.25V ~ 4V
12) Under voltage detection
2) Wide dynamic range [9.0V (typ.) when Vcc1= Vcc2= 12V, at RL= 20Ω load].
3) Separating power of Vcc1 and Vcc2 is to improve power efficiency by a low supply voltage for tracking, focus, and spindle.
4) Level shift circuit built-in.
5) Thermal shut down circuit built-in.
6) Mute mode built-in.
7) Dual actuator drivers:
A general purpose input OP provides differential input for signal addition. The output structure is two power OPAMPS in bridge configuration.
8) Sled motor driver:
A general purpose input OP provides differential input for signal addition. The output structure is one power OPAMP in bridge configuration.
9) Spindle driver:
Single input linear BTL driver. The output structure are two power OPAMPS in bridge configuration.
10) Tray in-out driver:
The DC motor driver supports forward/reverse control for tray motor.
11) 2 Built-in regulator controllers
Adjustable range 1.25V ~ 4V
12) Under voltage detection
Description
The AM5890S is a five-channel BTL driver IC for driving the motors and actuators such as used in DVD player and consists of two independent precision voltage regulators with adjustable range from 1.25V to 4 V. In addition, an under voltage detection circuit is built to do Resetting Function. Also, Package is Pb free for environmental protection.
Applications
BTL driver for CD, CD-ROM and DVD.
Applications
BTL driver for CD, CD-ROM and DVD.



