pin assignment
AM9293Q AM9293Q
Features
1) Direct-PWM-driving system
2) Current limit circuit
3) Built in FG-output
4) Over-voltage protection
5) Low consumption
6) Short brake
7) Built-in thermal-shut-down circuit
2) Current limit circuit
3) Built in FG-output
4) Over-voltage protection
5) Low consumption
6) Short brake
7) Built-in thermal-shut-down circuit
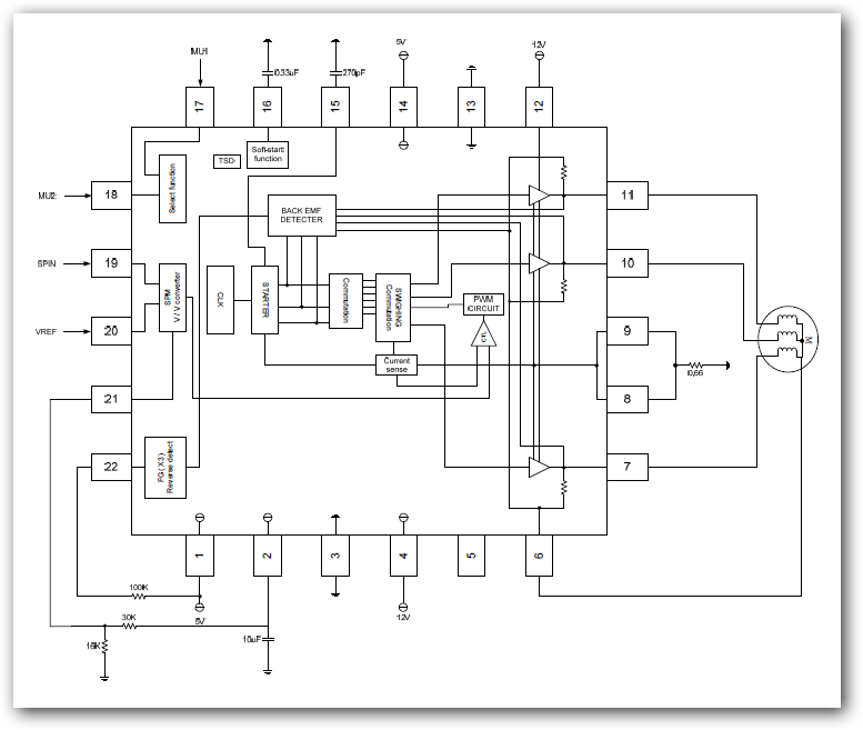
Description
The AM9293Q is developed to drive Brush-less spindle motor. This IC has braking select. Forward rotation mode and braking mode are able to be selected by two control terminals. Package material is Pb free.
Applications
DVD-ROM, DVD-RW , BD-ROM, DVD-player, BD-player
Applications
DVD-ROM, DVD-RW , BD-ROM, DVD-player, BD-player



