pin assignment
AM5810C AM5810C
Features
1) A power saving mode is enabled by power-save terminal.
2) Small surface mounting power package (HSOP-28)
3) Separating Vcc into Pre and Pow, can make better power efficiency
4) Thermal-shut-down circuit built in
5) Wide dynamic range <4.OV (Typ.) at PreVcc=12V, PowVcc=5V>
6) BTL driver:Input pins consist of (+) and (-), therefore various input types are available such as differential input.
7) Loading driver:
a. The output voltage is adjustable by output voltage control terminal. (Only “H” side voltage)
b. Brake circuit built in
c. Circuit protection diode built in.
2) Small surface mounting power package (HSOP-28)
3) Separating Vcc into Pre and Pow, can make better power efficiency
4) Thermal-shut-down circuit built in
5) Wide dynamic range <4.OV (Typ.) at PreVcc=12V, PowVcc=5V>
6) BTL driver:Input pins consist of (+) and (-), therefore various input types are available such as differential input.
7) Loading driver:
a. The output voltage is adjustable by output voltage control terminal. (Only “H” side voltage)
b. Brake circuit built in
c. Circuit protection diode built in.
Description
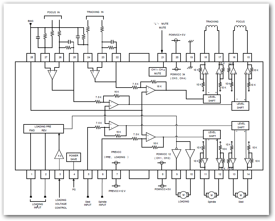
The AM5810C is a 5-channel BTL driver - 2 of the channels are able to drive stepping motor, and 1 channel is for reversible driver. Package material is Pb Free for purpose of environmental protection. Cu bonding wire for better conductivity.
Applications
Automotive DVD, CD players
Applications
Automotive DVD, CD players



