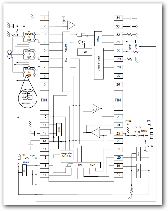
pin assignment
AM6807 AM6807
Features
1) Pre-driver for MOS-FET driving
2) Built in charge pump.
3) Built in FG Amp, hys Amp.
4) Built in Current Limit.
5) PWM drive.
6) Built-in Forward /Reverse Switching Circuits.
7) Built-inDirect PWM Mode Control Circuits.
8) Under Voltage protection.
9) Short brake mode.
10) Non-overlap design between Hi/Low side motor.
2) Built in charge pump.
3) Built in FG Amp, hys Amp.
4) Built in Current Limit.
5) PWM drive.
6) Built-in Forward /Reverse Switching Circuits.
7) Built-inDirect PWM Mode Control Circuits.
8) Under Voltage protection.
9) Short brake mode.
10) Non-overlap design between Hi/Low side motor.
Description
The AM6807 is developed to drive 3 phase BLDC. Package material is Pb-Free for purpose of
environmental protection.
Applications
High power BLDC
environmental protection.
Applications
High power BLDC



